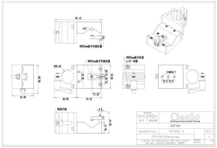
• 粗调款,提供±10°的仰俯调节;
• 精调款,带M6*0.5调节器,提供±2°仰俯和偏转调节,可锁定;
• 兼容Ø25mm接杆;
• 压臂安装在中间位置:可夹持Ø0.8-Ø24.0mm的圆柱形组件;
• 压臂安装在外侧位置:可夹持:Ø9.8-Ø30.3mm的圆柱形组件;
• 配置快拆手柄,可快速固定到接杆;
通过手柄驱动的挠性夹持将V形夹具座安装在Ø25mm接杆上,提供夹持圆柱形组件的仰俯、偏转调节。
|
型号 |
VCJP-A25 |
VCJP-A25-P |
|
规格 |
97.1*49.5*44.5mm |
114.0*50.8*53.8mm |
|
调节范围 |
±10°仰俯 |
±2°仰俯、偏转 |
|
调节精度 |
/ |
6.81mrad/圈 |
|
螺孔类型 |
M4*2处(台面);M4*3处(底部) |
M4*2处(台面) |
|
重量 |
232.3g |
409.3g |
|
兼容接杆 |
Ø25mm |
|
压臂夹持 |
安装中间位置:Ø0.8-Ø24.0mm |
|
安装外侧位置:Ø9.8-Ø30.3mm |
|
|
材质 |
铝合金+不锈钢 |
|
型号 |
PRK3-B |
|
规格 |
29.2*36.5*10.2mm |
|
接杆规格 |
Ø4.8*31.4mm |
|
螺纹类型 |
顶部M4螺孔、底部M4螺柱 |
|
重量 |
7.4g |
|
材质 |
铝合金+不锈钢 |

PRK3-B 工程图下载