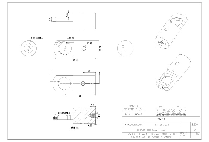
• 一体式的安装座设计,用于Ø19mm的光学元件;
• 50 mm的光束高度,以柱轴为中心的光学面;
• 底部开有M6螺孔,便于安装固定至台面;
• 在25℃环境下,适用于10-6 Torr高真空环境;
VOM-19安装座经单件热处理的不锈钢制造,通过最小化组件内部接口数量的方式,有效减少了部件随时间的徐变形,提高稳定性。
| 型号 | VOM-19 |
| 规格 |
Ø25.4*67.5mm |
| 安装孔径 |
兼容Ø19mm,厚≤6mm的光学元件 |
| 光轴高度 |
50mm |
| 螺孔类型 |
M6*1处、Ø2.01*2处(对销孔) |
| 重量 |
152.9g |
| 材质 |
304不锈钢热处理 |

VOM-19 工程图下载