• 提供XYZ三轴成套电控版显微基础平台;
• 最大升降行程15mm,定位精度±5μm;
• 载物台行程:80mm(X轴)*80mm(Y轴),定位精度±5μm;
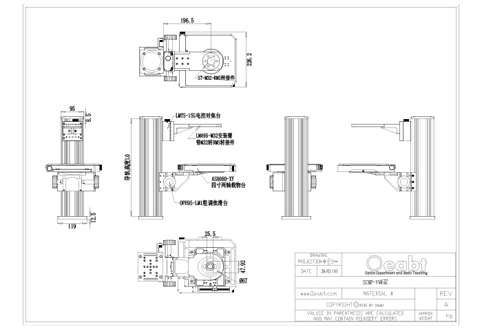
• 在距离主体导轨边缘196.5mm的光路处对齐升降滑台安装臂;
• 组件清单:AS8080-XY四寸两轴载物台、LMTS-15G电控对焦台、四轴(3+R)运动控制系统(OM-4X驱动器&OM-4CP操作手柄)、OPH95-V系列95mm导轨、OOP95-MB滑块、LMP2-A直角支架、LMA95-M32安装臂、ST-M32-RMS转接件、OPH95-LM1调焦滑台套件、LMA95-Olympus安装臂;
• 成套出售,不含面包板、平台;
三轴(XYZ)电控显微操作系统专为需要精密样本定位与自动化控制的显微应用而设计的解决方案。
|
型号 |
导轨高度 |
载物台构成 |
|
ECMP-350V |
350mm |
大尺寸台面,兼容常规载玻片、大培养皿等样品 |
|
ECMP-400V |
400mm |
|
|
ECMP-500V |
500mm |
|
|
ECMP-600V |
600mm |
|
整体平台 |
轴系 |
XYZ三轴电动 |
|
|
物镜安装 |
RMS(0.8”-36)螺纹 |
||
|
导轨臂轴 |
196.5mm(从导轨边缘算起) |
||
|
载玻片夹 |
兼容宽度<26.4mm,长度53mm~75.8mm的载玻片 |
||
|
Z轴调焦 |
LMTS-15G 电动对焦台 |
升降行程 |
±7.5mm |
|
最大负载 |
1.5kg(加装安装臂后) |
||
|
垂直最大速度 |
1.2mm/秒(推杆控制) |
||
|
点动最小速度 |
≤1μm(手轮控制) |
||
|
最小分辨率 |
≤1μm(手轮控制) |
||
|
双向重复性 |
±2μm |
||
|
重复精度 |
±5μm |
||
|
反向间隙 |
0.01mm(步进电减速机的齿轮间隙) |
||
|
电机类型 |
减速步进电机,减速比5.2:1 |
||
|
OPH95-LM1 粗调滑台 |
升降行程 |
23mm |
|
|
调焦方式 |
粗准焦调 |
||
|
最大负载 |
2kg |
||
|
AS8080-XY载物台 |
移动范围 |
X轴:80mm,Y轴:80mm |
|
|
最大负载 |
3.2kg |
||
|
XY轴 |
最高速度*8:13mm/s;最低速度*1:1.625mm/s |
||
|
手轮最小分辨率 |
≤2μm |
||
|
重复精度 |
±5μm |
||
|
轴向误差 |
0.02mm |
||
|
反向误差 |
0.01mm(步进减速机齿轮间隙) |
||
|
电机类型 |
两相步进减速电机,减速比5.2:1 |
||
|
推荐驱动器/控制器 |
O’motion四轴运动控制系统 |
||


ECMP-V系列 工程图下载