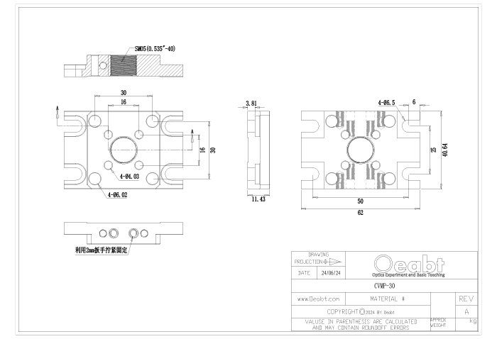
• 将笼式组件垂直安装到光学平台;
• 兼容16、30、60mm笼式系统;
• 中心孔径兼容SM05或SM1螺纹组件;
• 沉头孔槽可固定到光学面包板;
垂直安装板可以将16mm、30mm和60mm笼式系统垂直安装到光学平台表面,还可实现不同尺寸笼式系统的兼容转换。
型号
CVMP-30
CVMP-60
规格
62.0*40.6*11.4mm
91.4*71.1*11.4mm
中心孔径
SM05(0.535”-40)内螺纹
SM1(1.035”-40)内螺纹
兼容笼式
16mm、30mm
30mm、60mm
重量
47.0g
120.0g
沉头孔槽
Ø6.5mm*4处
材质
7075铝合金

CVMP-60 工程图下载